To use this power arrangement:
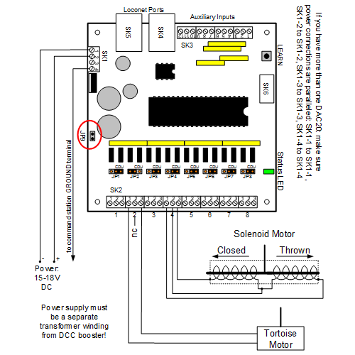
- Connect +14v to 20v DC supply to the connectors normally used for track power (SK1 pins 1&2). You will need ~14v-16v for tortoise type motors, or 16-20v for solenoid motors. (Most power supplies marked at "12v" in the model railway world seem to give out 15-18v; do experiment with the ones you have available).
- Make sure you have JP9 INSTALLED. It will be needed!
- If you have the older DAC20 with a 3 pin SK1: Connect SK3 pin 1 to the "GROUND" terminal of your command station (DCS100, DB150 or Zephyr)
- If you have the newer DAC20 with a 4 pin SK1: you may not need to carry out the grounding step. However if you find the board does not reliably communicate over LocoNet, try a ground wire from SK1 pin 4 to the command station ground.
- Program the board to "use LocoNet commands" in LocoAnalyse.
The DAC20's green LED will now be OFF in normal use. The DAC20 will take its commands from LocoNet, not DCC.
The one downside to this is you will not now be able to use routes in your DCS100 command station: they will not drive a DAC20 in this configuration. You can still use DAC20 routes and DTM30 routes as normal.
DO NOT share this power supply with any devices other than DAC20 boards. Sharing it with a DTM30 or other LocoNet board will cause damage to one or more of the boards. Like any other supply on your DCC system. Make sure there is no common ground connection, for instance.


The LED should be OFF in normal use, and will blink on if an output for the DAC20 is activated.
If your DAC20 has the 3 pin power terminal:

Please not that this will NOT work with a non-upgraded DAC10. If you have an older DAC10 upgraded with a processor upgrade, you can do this. For the older DAC10 boards follow this diagram:

If you have problems: use a multimeter to check the output voltage at a DAC20 output. It should be 15v or more for a solenoid point motor.

